Toepassing:
Kan direct aangekoppeld worden achter uw bovengrondse vetafscheider.
Indien gelijk besteld zullen wij dan ook voor een perfecte passing zorgen.
Vanaf hier kunt u het water over een grote afstand naar het riool verpompen.
Diameter van die leiding kan al vanaf 50 mm.
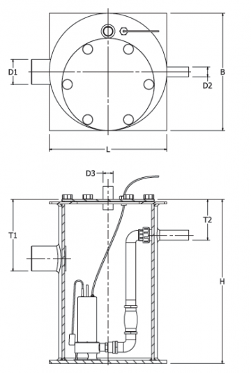
HDPE (kunststof) pompput voorzien van ingebouwde dompelpomp. De dompelpomp is compleet ingebouwd inclusief balkeerklep, hoogwaardig PE-leidingwerk en een driedelige koppeling om de pomp eenvoudig uit de pompput te halen. De pompput behuizing bestaat uit een hoogwaardig kunststof HDPE- behuizing, die is voorzien van een kunststof geknevelde deksel, een kabeltule aansluiting en een ontluchting. Optioneel is de afdekking uit te voeren met een vergroot mangat of een opgebouwd vloerluik. Tevens kan de put worden uitgevoerd met afsluiters, spindelafsluiters met spindelpotten, meerdere aansluitingen, ontluchtingsleidingen etc. De pompput kan geheel naar wens worden gebouwd.
De voordelen:
- gefabriceerd van hoogwaardig HDPE
- uit te voeren in de putdiameters ø 315 t/m ø 3000 mm
- leverbaar met ingebouwde dompelpomp 230 - 400V in nagenoeg elke gewenste capaciteit, situatie (hemelwater, drainage water, industrieel afvalwater, etc.)
- standaard voorzien van een geknevelde TEUFIX-deksel
- leverbaar in enkel of dubbelpomps uitvoering
- pomp eenvoudig uit de put te nemen d.m.v. de ingebouwde driedelige koppeling. Persleidingen gefabriceerd uit PE, voorzien van voor gemonteerde balkeerklep.
- optioneel: schakelkast voor binnen- of buitenopstelling, afsluiter, afdekking geschikt voor verkeersklasse D. 400 kN, aangelast verstevigingskruis of flens of verzwaarde uitvoering
- geheel op maat te fabriceren
- ook geheel leverbaar geschikt voor grond inbouw
De hoogte T1 kan op verzoek op maat geleverd worden, zodat hij in lijn komt met uw riool of de uitgang van uw vetput(inspectieput).
| ENKELPOMPSPOMPPUT |
|
| Nederlands fabrikaat |
type SIPHO materiaal HDPE. |
| Artikelnummer: |
BC10.0630.1070.65 |
| Geschikt voor: |
Bovengrondse opstelling |
| Nuttige inhoud: |
200 liter (onder de inlaat) |
| Materiaal: |
Hoogwaardig kunststof HDPE. |
| Afdekking: |
1 stuks kunststof geknevelde deksel type TEUFIX (geen verkeer) |
| Aansluiting in: |
Ø 110 mm. - Inbouwdiepte = 270 mm. - Richting = 24 uur (T1) |
| Aansluiting uit: |
Ø 63 mm. - Inbouwdiepte = 500 mm. - door de dekplaat |
| Aansluiting kabel: |
Kabeltule door de dekplaat. |
| Aansluiting overig: |
Ontluchting Ø 50 mm. door de dekplaat |
| Hoogte minimaal (uitwendig): | Bij T1 = 270 mm., Totale hoogte = 1070 mm. (op aanvraag groter) |
| Diameter (uitwendig): |
Ø 630 mm. |
| Bodemplaat (uitwendig): |
750x750 mm. |
| Optie: |
Fabricage op maat. |
| DOMPELPOMP, |
materiaal RVS. |
| Type: | ADOMO7VX/A |
| Materiaal motorhuis: | Hoogwaardig RVS Aisi 304 |
| Materiaal pomphuis: | Hoogwaardig RVS Aisi 304 |
| Waaier: | Vortex waaier, vrije kogeldoorlaat 35 mm. |
| Motor: | 0,55 kW P2 - 3,9 Amp. - 230 Volt - 1 Fase - 50 Hz. |
| Toerental: | 2850 t/min. |
| Maximale capaciteit: | 15,6 m3/h |
| Maximale opvoerhoogte: | 9 m.w.k. |
| Extra mbt pomp: | Dompelpomp voorzien van gietijzeren balkeerklep, 3-delige PE koppeling en hoogwaardige PE persleiding. |
| Kabellengte: | Vanaf pomp standaard 5 meter. |
| MEERPRIJS: | |
| Meerprijs schakelkast enkelpomps HX15-W 230V tbv binnenopstelling voorzien van alarmlamp, aan/uit, potentiaal vrij contact, hoogwateralarm, schakeling d.m.v. RVS hydrostatische drukopnemer (vv 10 meter kabel) aan/uit/alarm. |
|
| Meerprijs buitenkast om binnenkast t.b.v. buitenopstelling (incl. sokkel). |

© 2026 www.horeshop.nl - Powered by Shoppagina.nl